Датчики давления абразивостойкие «Курант - Пульпа» |
|
Датчики давления абразивостойкие предназначены для измерения давления в тяжелых условиях эксплуатации.
Рабочая (контролируемая) среда: песок, шлам, пульпа, грунт, раствор бетона (в том числе, замерзший), каменная крошка и др.
Применение: строительство мостов, тоннелей, проходка метро, буровые работы, контроль давления нагнетания раствора.
Датчики позволяют измерять давление без применения дополнительных разделительных и защитных мембран.
По запросу заказчика могут быть изготовлены двухпараметровые датчики давления и температуры в одном корпусе.
Назначение: датчики предназначены для непрерывного пропорционального преобразования давления: избыточного, разрежения
(вакуумметрического) или абсолютного в линейный электрический сигнал тока (напряжения).
|
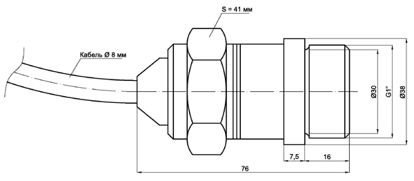
Основные габаритные размеры и внешний вид датчика давления абразивостойкого «Курант - Пульпа 3» |
||
|
|
|
Основные габаритные размеры и внешний вид датчика давления абразивостойкого «Курант - Пульпа 4» |
|
|
|
Основные технические характеристики датчиков давления абразивостойких Курант - Пульпа |
||||
| Диапазон давления | ||||
| Верхние пределы диапазона давлений | -100 кПа; 100 кПа; 400…600 кПа | 1,0; 2,5; 4,0; 6,0 и 10 МПа | ||
| Н и ж н и й п р е д е л д а т ч и к о в р а в е н н у л ю | ||||
| Пределы допускаемой погрешности | 1% | 0,5%; 0,25% | ||
| Нелинейность | не более ± 0,5% | не более ± 0,25% | ||
| Гистерезис | не более ± 0,25% | не более ± 0,06% | ||
| Дополнительная температурная погрешность | не более 0,25% / 10°С | не более ± 0,15 и 1% / 10°С | ||
| Перегрузка | 100% | 50% | ||
| Предельные значения выходных сигналов |
4…20 мА - 2-х проводная линия связи; 0…5; 0…20 мА - 3-х или 4-х проводная линия связи; 0…10 В или любой на заказ в этих пределах. Пример:(0…5 В; 0,5…4,5 В; 0,5…5,5 В; 0…1 В; 0,2…1 В; 0…2 В). |
|||
| Питание | 15…36 В; для 4…20 мА от 9…30 В. | |||
| Устойчивость к климатическим воздействиям |
У2* - температура от -30 до +50°С; У2** - температура от -50 до +80°С; УХЛ3.1* - температура от +5 до +50°С; УХЛ3.1** - температура от -10 до +80°С; исполнение military от -55 до +80°С (хранение -60°С до +125°С); |
|||
| Степень защиты оболочки от пыли и влаги | IP67; IP68; IP69; | |||
| Электрическое присоединение |
4-х контактный разъем IP67 или кабель экранированный 4-х жильный, Ø 8мм, резиновая или полиуретановая оболочка, сечение 0,35 мм2 или 0,5 мм2. Кабель измерительный с экраном, загерметизированый на датчике 1 п\м или, по требованию заказчика, другой длины, но не более 300 п\м. Для выходного сигнала 4…20 мА не более 1000 п\м. |
|||
| П р и с о е д и н е н и е д а т ч и к а к л и н и и о т б о р а д а в л е н и я | ||||
| Резьба | G1"; G1¼"; М27х1,5; М27х2; М30х1,5; М30х2 или другая по эскизам заказчика. | |||
| Приемная мембрана | нержавеющий сплав 36НХТЮ; титановый сплав ВТ22 или высокопрочный композиционный материал для особо тяжелых условий эксплуатации (удары, гравий, гранитная крошка). | |||
|
Для оформления заказа отправьте нам письмо на адрес электронной почты
metronic@mail.ru
в произвольной форме, указав характеристики и количество датчиков давления, а также способ доставки и свои контактные данные.
Отправляя нам контактные данные, Вы соглашаетесь с условиями конфиденциальности личных данных.
Вы также можете скачать бланк заказа, заполнить его, сохранить и вложить в письмо.
|